Infiniti QX55 2023 Electrical Wiring Diagram

Information Infiniti QX55 2023 Electrical Wiring Diagram
-
- Manuals name: Infiniti QX55 2023 Electrical Wiring Diagram
- Type: Electrical Wiring Diagram
- Year: 2023
- Size: 22.5MB
- Number of Pages: 364 Pages
- Brand: Infiniti QX55 2023
- Language: English
- Format: PDF
- Contents:
-
Power
Battery Power Supply
Accessory Power Supply
Ignition Power Supply
Fuse Block (J/B)
Fuse, Fusible Link And Relay Box
Fusible Link Box (Battery)
Ipdm E/R (Intelligent Power Distribution Moule Engine Room)
Grounds
Ground
Wiring Diagrams
A General Information
B Engine
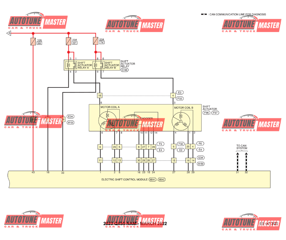
D Transmission & Driveline
E Suspension
F Brakes
G Steering
H Restraints
I Ventilation, Heater & Air Conditioner
J Body Interior
K Body Exterior, Doors, Roof & Vehicle Security
L Driver Controls
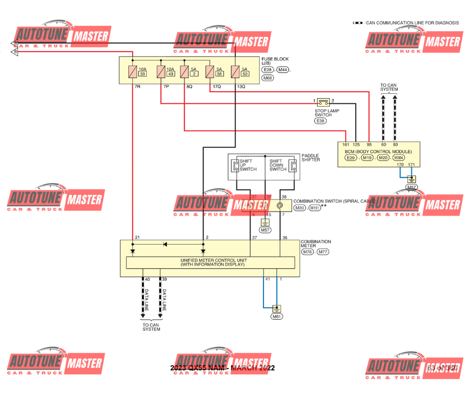
M Electrical & Power Control
N Driver Information & Multimedia
O Cruise Control & Driver Assistance
Connector Views
Connector Views
Harness Layout
Outline
Rear End Harness
Chassis Harness
Front Door Lh Harness
Front Door Rh Harness
Rear Door Lh Harness
Rear Door Rh Harness
Back Door Harness
Engine Room Harness - Cabin View
Engine Room Harness - Lh Lower View
Engine Room Harness - Lh Upper View
Engine Room Harness - Lh View
Engine Room Harness - O2 Sensor View
Engine Room Harness - Power Steering View
Engine Room Harness - Rh View
Front End Module Harness
Engine Room Harness - Front View
Battery Cable
Engine Control Harness - Battery View
Engine Control Harness - Front View
Engine Control Harness - Intake View
Engine Control Harness - Lh Rear View
Engine Control Harness - Rh Rear View
Front Seat Lh Harness
Front Seat Rh Harness
Hvac Sub-Harness
Main Harness - Body Lh Front View
Main Harness - Body Lh Rear Seat View
Main Harness - Body Lh Rear View
Main Harness - Body Rh Front View
Main Harness - Body Rh Rear View
Main Harness - Console View
Main Harness - Instrument Panel Lh View
Main Harness - Instrument Panel Rh View
Main Harness - Radio View
Main Harness - Roof View
Room Lamp Harness

- Manuals name: Infiniti QX55 2023 Electrical Wiring Diagram




















